Skip to main content

Semplice da specificare Clamp icon Facile da ordinare Clamp icon Rapido da assemblare

140 - Gate Hinge (Self Colour)

Often used with type 138 to form gate hinges. The tube cannot be joined within the fitting.

Please note that these fittings are bare metal and will be naturally prone to rusting unless a protective coating such as a lacquer is applied.

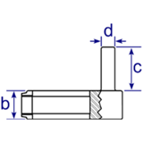
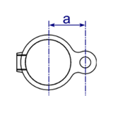
Product Data & Dimensions

Size a (mm) b (mm) c (mm) d (mm) Weight (kg) Box Qty*
  B34   33   25.5   38   12   0.28   180

* Fittings are sold individually and do not need to be bought in box quantities. Box quantities may be subject to change without prior notice.

Figures given as guidance only, dimensions and weights are subject to manfacturing tolerances and may be altered without prior notice.

Do not perform any pre-drilling, tube cutting, casting uprights or any other dimensionally critical processes prior to receiving fittings.

Scopri come questo sito web utilizza i cookie per migliorare la tua esperienza di navigazione. Per saperne di più